Analyzer

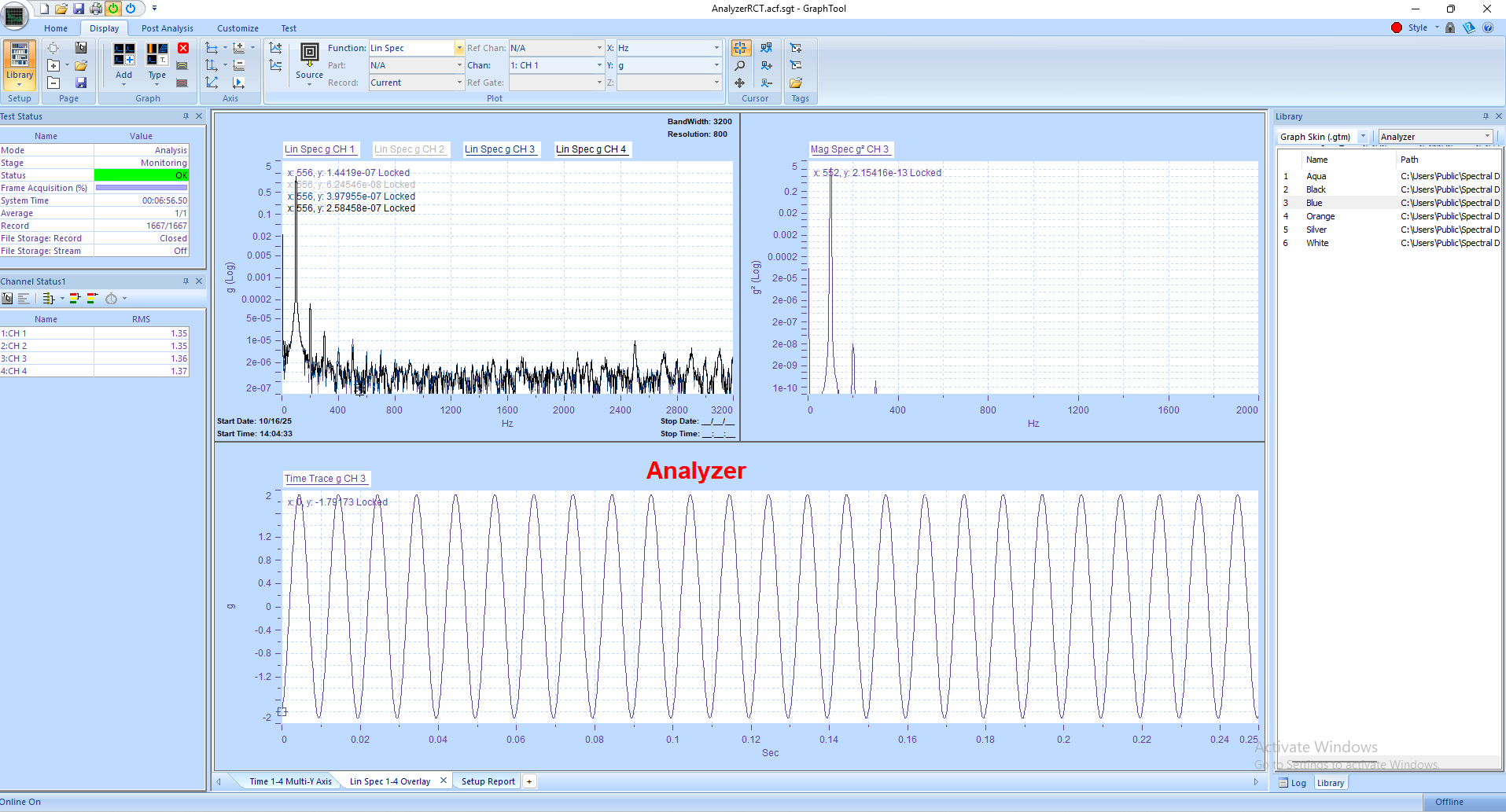
The Analyzer application provides a comprehensive set of tools for data acquisition and signal...
Spectral Dynamics software modules always provide you with the best in control technology. Our Lynx™ Sine Module incorporates a true analog-quality sine sweep with a double precision integrated phase algorithm in order to ensure the lowest signal distortion possible. Our easy-to-use flexible user interface, will allow you to configure your control parameters: manual or automatic test, control with the fundamental signal (tracking filter) or with the RMS of the broadband, control strategy. Other Sine based software modules; Stepped Sine and Search& Dwell can be easily incorporated into your testing control suite with your original system configuration or added later to your system as your testing needs to expand down the road.
Sine software offers a complete solution for your swept sine testing needs. With tracking filter processing in DSP's on input channel cards large channel count swept sine tests can be performed without degradation in control loop performance.
Features
Sine testing can be done two ways:
Overall test level control, where we do not care about what frequency causes the response energy. Fundamental Control, which requires Tracking Filters. Signal Generation hardware matters. Lynx™ generates harmonic free analog quality Sine signals that permit remarkable resonance control and accuracy.
NOT generating Harmonic content, means the power amplifier WON'T receive high frequency energy which it CANNOT reproduce, thereby removing another worry from the Test Professional's mind.
Nearly all tests presume Tracking Filters are being employed. Lynx™ provides True analog quality tracking filters created in DSP with the same Sine-Co-Sine Heterodyne method SD patented in 1961, If you must test to MilStd expectations, you must use tracking filters. FFT based processes DO NOT yield the same accuracy that Digital Tracking Filters offer.
Spectral Dynamics developed a control algorithm with separate controls loops dedicated to controlling the shape of the drive spectrum and overall RMS level. This optimizes the random control signal...
Spectral Dynamics software modules always provide you with the best in control technology. Our Lynx™ Sine Module incorporates a true analog-quality sine sweep with a double precision integrated...
The Lynx™ Shock Module solution generates different types of shock pulses to simulate the test item experiences in its real environment. As an expert in the field, Spectral Dynamics developed...
The Analyzer application provides a comprehensive set of tools for data acquisition and signal analysis. Tests can be performed with or without output generation. User definable display – Contains...
Road Simulation makes it possible to reproduce actual measured time history vibration data in the laboratory on a shaker system. Extensive time history editing features enable large sets for field...
Random on Random simulates complex narrowband random on broadband random vibration environments. Narrowband signals may be swept or stationary. This vibration environment is typically seen in...
Sine on Random consists in combining pure sinusoidal signals with random signal waveforms. The highest quality random signals are generated and controlled via our advanced algorithm signal...