Spectral Dynamics Inc. Spectral Dynamics Inc.
  • Home
    • About SD
  • Shakers

    Shakers

    • Overview
    • Water Cooled
    • Air Cooled

    Options

    • Slip Tables & Head Expanders
    • Shock Test Machines
    • Hydraulic Exciters
  • Vibration Controllers

    Multiple/Single Axis

    • Jaguar™

    Single Axis

    • Panther
    • Puma™
    • Lynx™
  • Advanced Solutions

    ARPG Products

    • SIPS™
    • VIDAS™
    • IMPAX-SD-LAB™

    P.I.N.D. System

    • Felix™ Computer Aided Test System

    Advanced Solutions

    • Shock Test Systems
    • BalanceTool™

    High Speed Data Acquisition

    • VIDAS™

    Data Analysis

    • CATS™
    • STAR Modal™
    • STAR Acoustics™
  • Support

    Service & Information

    • Contact SD
    • Customer Training
    • Request Product Information
    • Domestic US Service
    • Tradeshows
    • About SD

    Software Support

    • Puma™ FAQs
    • CATS / STAR Modal™ Help

    Additional Support

    • Downloads
    • Related Links
    • Technical Library

Advanced Multi-exciter Dynamic Testing since 1961

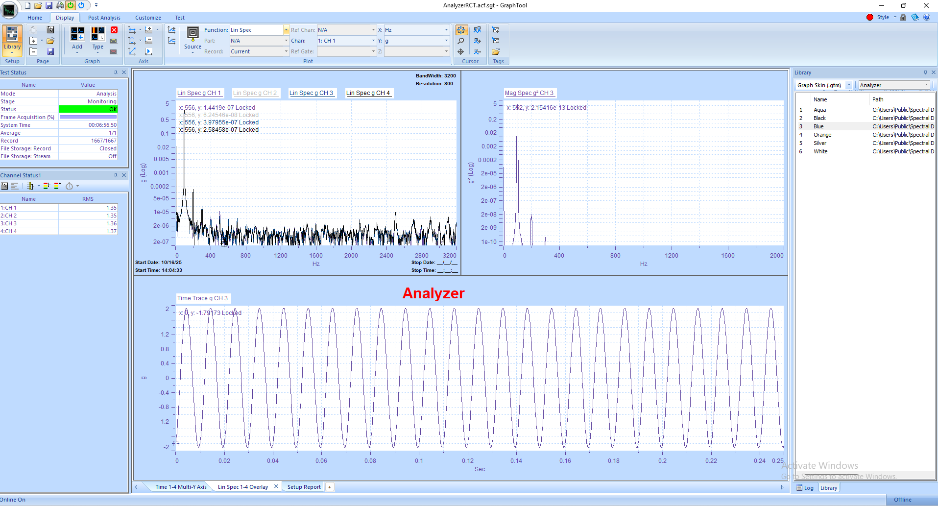
Analyzer

Panther Analyzer extends the power of Spectral Dynamics' next-generation Panther platform with advanced tools for vibration and modal analysis. Integrated directly into Panther's unified environment, Analyzer combines precision data acquisition, adaptive signal processing, and real-time display capability within the same intuitive interface used for all control applications.

Built on the proven foundation of Spectral Dynamics' over eighty years of vibration test experience, Analyzer is designed for engineers who demand trusted, repeatable results—from structural modal characterization and transient capture to detailed spectral and sine analysis. The application leverages Panther's exceptional 24-bit ADC resolution and >110 dB dynamic range to deliver measurement fidelity that meets the most demanding test requirements.

Key Capabilities

•    FFT, 1/n Octave, and Statistical Analysis: Comprehensive time- and frequency-domain insight with configurable resolution, windowing functions, and averaging methods for precise spectral characterization.
•    Modal Data Acquisition and Analysis: Configurable degree-of-freedom (DOF) selection with support for multiple DOF sets, reference channel assignment, and seamless integration with modal analysis workflows.
•    Sine Analysis: Evaluating harmonic response and system linearity with swept sine capability, accurate frequency tracking, and transfer function measurement.
•    Transient Capture and Analysis: Shock, impact, and non-stationary event capture with trigger controls, pre-trigger buffering, and offline shock response spectrum (SRS) analysis from stream files.
•    Fully Functional Signal Generator: Excitation and calibration tasks supporting multiple waveform types including sine, sine chirp, random, pseudo-random, user-defined waveforms, burst, and DC. Precise frequency/amplitude control with adjustable taper and delay functions.
•    Multi-Stream Acquisition: Synchronized sampling across all channels with support for multiple independent data streams at different sample rates—a unique capability for capturing both high-frequency and low-frequency phenomena simultaneously.
•    Adaptive Filtering and Custom Process Lines: Dynamic signal interpretation with user-defined process lines for monitoring, alarming, and real-time data conditioning.
•    Gap-Free Streaming to Disk: Complete traceability of every test event with continuous data recording to host disk, ensuring no data loss during acquisition.

Click Icon for Full Screen or Esc to Return

Software Integration & Ease of Use

Panther Analyzer shares the same modern, intuitive interface as all Panther applications, operated through Spectral Dynamics' GTX software environment. GTX provides a unified platform for test setup, execution, analysis, and report generation.

•    The Library feature enables instant access to test setups, stored data files, and previous runs—eliminating the need to search Windows directories. Users can assign aliases or common names to files and mark favorites for even quicker access.
•    Easily and quickly compare live test data with historical measurements across different channels and test runs, enabling rapid validation and troubleshooting.
•    The entire user interface is fully compatible with touch-screen operation, including Microsoft Surface and other Windows PCs, ensuring flexible control in any laboratory environment.
•    Export capabilities include Microsoft Word, PDF, Excel, and various image formats with customizable report generation and automated print functions.
•    Advanced visualization tools including waterfall plots, composite displays, Bode plots, and time traces provide comprehensive insight into system behavior.

Applications

•    Modal and Structural Dynamics Testing
•    Transient and Shock Analysis
•    Sine and Harmonic Response Characterization
•    Transfer Function Measurement
•    Aerospace and Automotive Qualification Testing
•    R&D Vibration Analysis and Correlation
•    Product Development and Validation
•    Environmental Stress Screening

Technical Data Sheet 

Input Subsystem

Output Subsystem

Input Channels: 8 Channels Expandable up to 32

DAC: 20 Bit

Dynamic Range: >110dB

Max Output Amplitude: ±12 Volts Peak

ADC: 24 Bit

Max Output Current: 16 mA

Amplitude Accuracy: ±0.20% of value or ±0.03% of full scale

Amplitude Linearity: ±0.20% of value or ±0.03% of full scale

Voltage Ranges: ±12V to ±0.5V in 8 steps (Auto Ranging)

Max Output Rate: 262,144 Samples per Second

Overload Detection: Full scale on all channels, analog and digital detection

Image Attenuation: <96dB

Voltage Coupling: AC or DC or GND

Frequency Accuracy: ±5 ppm

IEPE Power: 4 mA (24V max into open circuit)

Freq Range Reduction: 10 stage smoothing filters

Max Rated Input Signal: ±35 Volts Peak

Reconstruction Filters: Analog 1kHz–25kHz, >96dB attenuation, ±0.15dB ripple

Max Sampling Rate: 262,144 Samples per Second

Output Impedance: 60 Ohms

Input Impedance: 1 MΩ

Output Type: Pseudo-Differential, 10Ω to Ground

Connection Type: Pseudo-Differential

Output Cable: Drives up to 50 feet of shielded 50Ω coax

Calibration: Automatic Internal Digital Calibration (NIST referenced)

Calibration: Internal Digital Calibration (NIST referenced)

TEDS Compliant: Yes

Calibration Constants: Digital Calibration Constants stored in ASCII file

Host to Unit Communication: USB / Ethernet / Optional Wi-Fi

COLA Output Level: 1 Volt Peak (post-filter)

Sampling Interval: Simultaneous on all channels

 

Frequency Accuracy: ±5 ppm

 

Freq. Range Reduction: Digital decimation and filtering using on-board FPGA and DSP

 

Anti-Aliasing Filters:

 

  Analog: Fixed @ 120 KHz, >105dB, ±0.10dB ripple

 

  Digital: Variable, >96dB @ Nyquist, ±0.15dB ripple

 

Offset Removal: Digitally Controlled, Accuracy ±0.5% of full scale for each input range

 

Connector Type: BNC

 

Calibration Constants: Digital Calibration Constants stored in ASCII file

 

 


Panther Features


 

  • Advanced Calculator

  • Custom Status Panels

  • Easy Data Conversion

  • Graphical Data Recording

  • High Precision Frequency Tracking (HPFT)

  • High Sample Rate

  • Library

  • Modular Design

  • Multi-Source Data Definition

  • Multiple Acquisition Streams

  • Process Lines

  • Real-Time Digital Resampling

  • Report Generation

  • Secure Remote Access and RCI

  • Sine Tracking Filters

  • Stream to Disk

  • Tags

  • TEDS

  • Time Domain Analysis Tool

  • Touch Screen Interface

Spectral Dynamics, Inc. is a leading worldwide supplier of systems and software for vibration testing, structural dynamics, and acoustic analysis. Spectral Dynamics' products are used for design verification, product testing and process improvement by manufacturers of all types of electronic and mechanical products.

2199 Zanker Road, San Jose, CA 95131-2109
Tel: (800) 778-8755
sales@spectraldynamics.com
service@spectraldynamics.com

Vibration Controllers

  • Panther
  • Lynx
  • Puma
  • Jaguar

Advanced Solutions

  • Felix - P.I.N.D.
  • Shock Test Systems

Support

  • Contact
  • Product Information
  • Domestic U.S. Service

© 2025 Spectral Dynamics Inc. Privacy Policy

Download our ISO 9001:2015 certificate | Sitemap