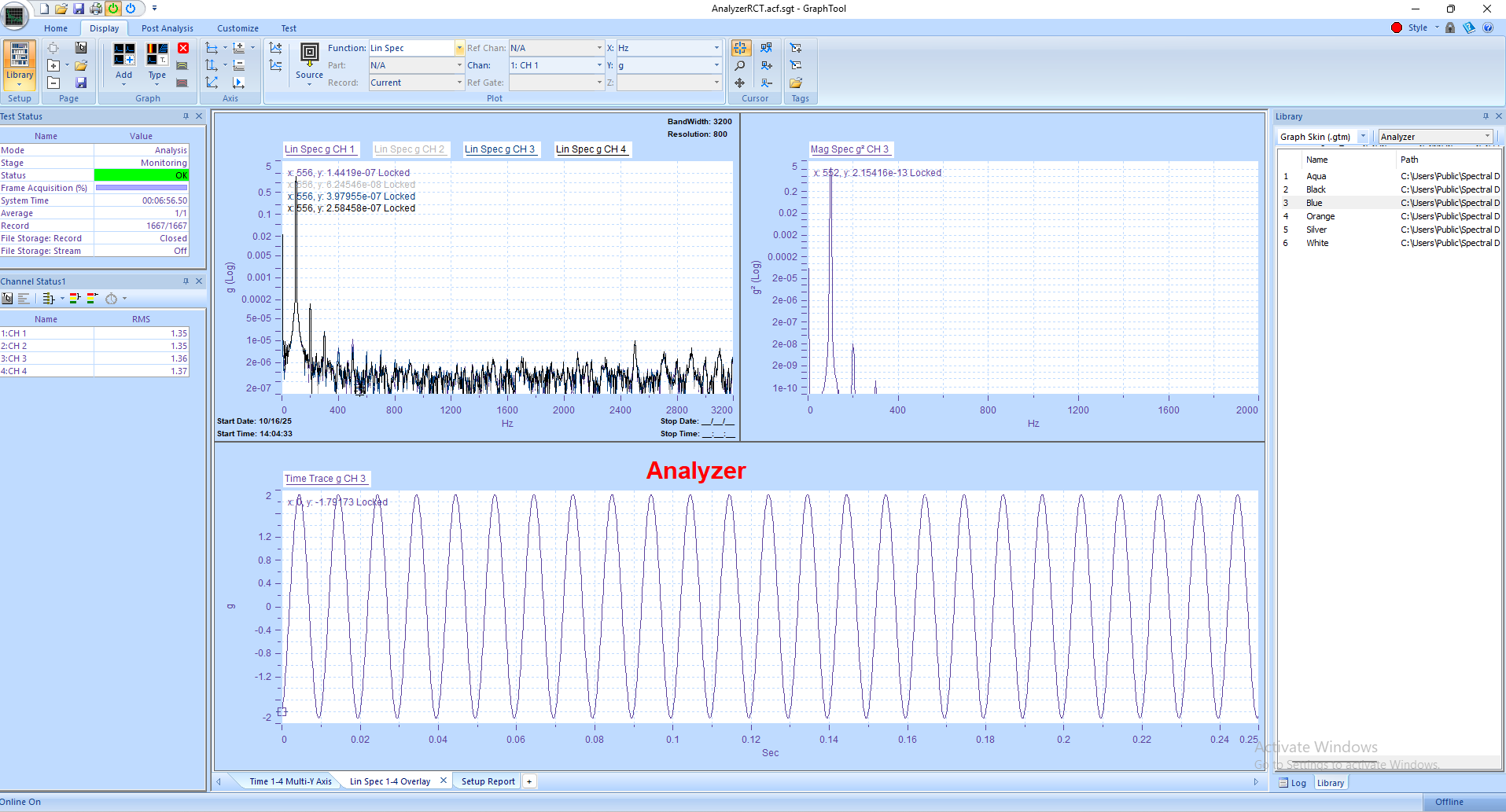
The Analyzer application provides a comprehensive set of tools for data acquisition and signal analysis. Tests can be performed with or without output generation. User definable display – Contains time domain, frequency domain, and H(f) displays with each display pane having complete cursor, annotation and graphics control.

Features: